| 部品型番 | 746X101470J | メーカー | CTS Electronic Components |
|---|---|---|---|
| 説明 | RES ARRAY 8 RES 47 OHM 1206 | フリーステータス/ RoHS状態 | リード/ RoHS非対応 |
| 在庫あり | 4893 pcs | データシート | 746X101470J.pdf |
| 公差 | ±5% | 温度係数 | ±200ppm/°C |
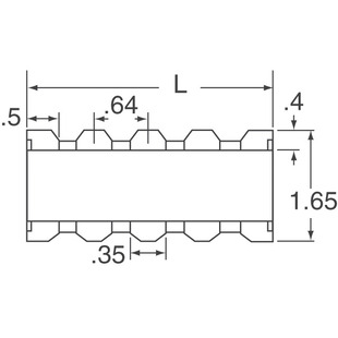
| サプライヤデバイスパッケージ | - | サイズ/寸法 | 0.126" L x 0.063" W (3.20mm x 1.60mm) |
| シリーズ | 746 | 抵抗比ドリフト | - |
| 抵抗マッチング比 | - | 抵抗(Ω) | 47 |
| エレメントあたりの電力 | 31mW | パッケージング | Tape & Reel (TR) |
| パッケージ/ケース | 1206 (3216 Metric), Convex, Long Side Terminals | 他の名前 | Q1257041 |
| 運転温度 | -55°C ~ 125°C | 抵抗器の数 | 8 |
| ピン数 | 10 | 装着タイプ | Surface Mount |
| 鉛フリーステータス/ RoHSステータス | Contains lead / RoHS non-compliant | 高さ - 着席(最大) | 0.028" (0.70mm) |
| 詳細な説明 | 47 Ohm ±5% 31mW Power Per Element Bussed 8 Resistor Network/Array ±200ppm/°C 1206 (3216 Metric), Convex, Long Side Terminals | 回路タイプ | Bussed |
| アプリケーション | - |
| フェデックス | www.FedEx.com | 35.00ドルからの基本送料は、ゾーンと国によって異なります。 |
|---|---|---|
| DHL | www.DHL.com | 35.00ドルからの基本送料は、ゾーンと国によって異なります。 |
| UPS | www.UPS.com | 35.00ドルからの基本送料は、ゾーンと国によって異なります。 |
| TNT | www.TNT.com | 35.00ドルからの基本送料は、ゾーンと国によって異なります。 |



